Sejbien ta 'Pożizzjoni Affidabbli għall-Awtomazzjoni Industrijali
Is-swiċċ tal-limitu manjetiku jipprovdi skoperta preċiża u mingħajr kuntatt tal-moviment u l-pożizzjoni fis-sistemi industrijali. Huwa komunement użat għal ċilindri pnewmatiċi, linji tal-conveyor, u makkinarju awtomatizzat biex jimmonitorja l-limiti tal-puplesija jew il-pożizzjonijiet tat-tarf. Bit-tħaddim tiegħu mingħajr kuntatt, is-swiċċ tal-limitu tal-qasab jimminimizza l-użu u jiżgura ħajja mekkanika twila anke f'ambjenti eżiġenti.
Miġbur f'kaxxa ssiġillata b'output tal-kejbil jew tal-konnettur, dan is-senser iżomm affidabilità għolja taħt vibrazzjoni, żejt u trab. Il-forma kompatta u l-immuntar flessibbli tagħha jagħmluha adattata għal retrofits jew integrazzjoni f'disinji ta 'makkinarju OEM.
Karatteristiċi u Benefiċċji Ewlenin
- L-attwazzjoni mingħajr kuntatt telimina l-għeja mekkanika.
- Reżistenza għall-vibrazzjoni għolja b'ripetibbiltà ta 'swiċċjar stabbli.
- Firxa wiesgħa ta' temperatura minn -20 grad sa +80 grad .
- Disponibbli f'konfigurazzjonijiet NO, NC, jew Bidla.
- Kompatibbli ma 'saħħiet kalamiti multipli u disinji attwatur.
Ħarsa Ġenerali Teknika
|
Ikkuntattjana għal rakkomandazzjoni xierqa tas-sensuri u soluzzjoni apposta. |
|||
|
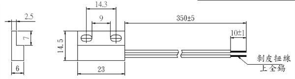
Serje GPS-23 |
Disponibbli għad-direzzjoni tal-wajer xellug/lemin |
|
|
|
Serje GPS-25 |
|
|
|
|
Serje GPS-35 |
|
|
|
|
Temperatura operattiva |
0 ~ 80 grad għal prodott standard, customization għal temperatura ogħla jew aktar baxxa disponibbli |
||
|
Tip ta' Swiċċ |
Normalment Miftuħ għal prodott standard, customization għal NC u bidla disponibbli, għarrafna. |
||
|
(Ċirkwit) |
|
||
|
Parametru elettroniku |
Tip ta 'swiċċ |
Normalment Miftuħ |
|
|
Klassifikazzjoni tal-Qawwa |
10W |
||
|
Vultaġġ tal-Qlib |
100VDC |
||
|
Vultaġġ ta' Tkissir |
150VDC |
||
|
Qlib tal-kurrent |
0.5A |
||
|
Ċertifikazzjoni |
Materjali b'ROHS, REACH SVHC, ċertifikazzjoni UL għall-għażla. |
||
Applikazzjonijiet
Dan is-senser tal-pożizzjoni industrijali huwa użat ħafna fl-awtomazzjoni tal-fabbrika, għodod tal-magni, ċilindri pnewmatiċi, u sistemi ta 'ppakkjar. Jipprovdi feedback affidabbli għall-kontroll tal-pożizzjoni u jiżgura moviment sigur fi proċessi awtomatizzati.
Noti ta' Installazzjoni
Żgura immuntar sikur billi tuża klampi mhux manjetiċi u vverifika l-allinjament manjetiku mal-attwatur. Evita l-espożizzjoni għal kampi manjetiċi esterni eċċessivi li jistgħu jinterferixxu mal-eżattezza tas-sensing.
Għaliex Agħżel Dan il-Mudell
Li tgħaqqad is-sempliċità u l-istabbiltà fit-tul, is-swiċċ tal-limitu manjetiku huwa soluzzjoni fdata fl-industriji tal-awtomazzjoni. Kull swiċċ huwa mibni taħt standards ta 'kwalità ċċertifikati, b'għażliet ta' customization għat-tul taċ-ċomb, tip ta 'konnettur, u sensittività manjetika.
Ikkuntattjana
Qed tfittex sejbien ta 'pożizzjoni affidabbli fis-sistema ta' awtomazzjoni tiegħek? Ikkuntattja lit-tim tal-inġinerija tagħna biex tagħżel jew tippersonalizza l-iswiċċ tal-limitu tal-qasab ideali għall-applikazzjoni tiegħek.
It-tags Popolari: swiċċ tal-limitu manjetiku, iċ-Ċina swiċċ tal-limitu manjetiku manifatturi, fornituri, fabbrika
















